【导读】磁电式车速传感器模拟交流信号发生器,产生交变电流信号,通常由带两个接线柱的磁芯及线圈组成。磁组轮上的逐个齿轮将产生一一对应的系列脉冲,其形状是一样的。
车速传感器的作用
(1)磁电式车速传感器模拟交流信号发生器,产生交变电流信号,通常由带两个接线柱的磁芯及线圈组成。磁组轮上的逐个齿轮将产生一一对应的系列脉冲,其形状是一样的。输出信号的振幅与磁组轮的转速成正比(车速),信号的频率大小表现于磁组轮的转速大小。发动机控制电脑或点火模块正是靠这个同步脉冲信号来确定触发电火时间或燃油喷射时刻的。

(2)霍尔式车速传感器它们主要应用在曲轴转角和凸轮轴位置上,用于开关点火和燃油喷射电路触发,它还应用在其它需要控制转动部件的位置和速度控制电脑电路中。由一个几乎完全闭合的包含永久磁铁和磁极部分的磁路组成,一个软磁铁叶片转子穿过磁铁和磁极间的气隙,在叶片转子上的窗口允许磁场不受影响的穿过并到达霍尔效应传感器,而没有窗口的部分则中断磁场。
(3)光电式车速传感器由带孔的转盘两个光导体纤维,一个发光二极管,一个作为光传感器的光电三极管组成。 一个以光电三极管为基础的放大器为发动机控制电脑或点火模块提供足够功率的信号,光电三极管和放大器产生数字输出信号(开关脉冲)。发光二极管透过转盘上的孔照到光电二极管上实现光的传递与接收。
(4)发动机转速传感器-检测发动机的转速,通常利用曲轴位置传感器来检测发动机的转速并输出来实现的。用于燃油喷射量、点火提前角、动力传动控制等;
(5)车速传感器-通常是直接或者间接检测汽车轮胎的转速来来获得的,主要是体现在我们可以在汽车行驶的时候可以知道自己的形式的车速。
(6)车轮转速传感器—检测车轮转速并将检测结果输出ECU,主要是的作用是在汽车制动的控制和驱动控制这两方面;
(7)减速传感器-其主要的是要检测汽车在减速的时候的减速速度,也是将这个信号回传到ECU,汽车制动的控制和驱动控制这两方面。
车速传感器检测电控汽车的车速,控制电脑用这个输入信号来控制发动机怠速,自动变速器的变扭器锁止,自动变速器换档及发动机冷却风扇的开闭和巡航定速等其它功能。
车速传感器电路图
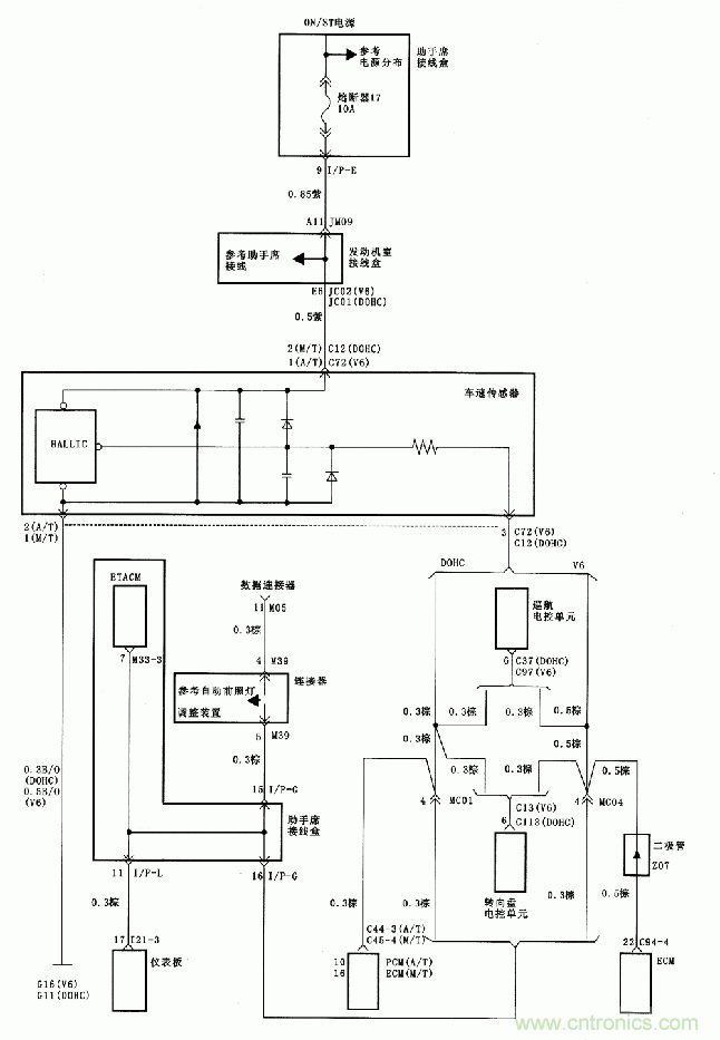
北京现代索纳塔车速传感器电路图如下所示:

车速传感器是什么?车速传感器工作原理?
热继电器的安装使用和维护
如何判断陶瓷晶振好坏?陶瓷晶振与金属晶振区别详解
石英晶振的作用及在5G中的作用
石英晶振工作原理和频率稳定性





